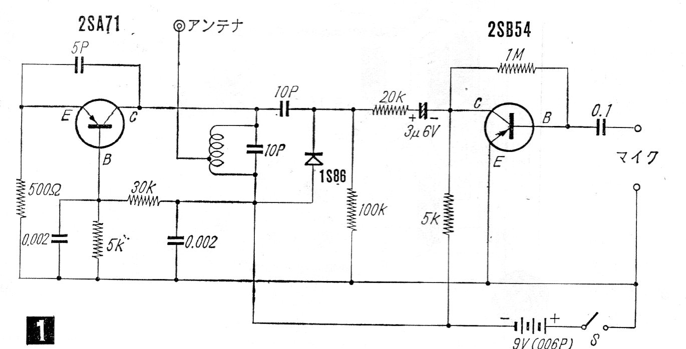
Encontramos este transmisor para el rango de 70 a 90 MHz (FM en Japón) en una publicación japonesa de la época. Sin embargo, la banda puede ampliarse para llegar a los 108 MHz. El circuito utiliza transistores de la época y en el diagrama del chapado podemos tener detalles de la bobina. El micrófono puede ser de cristal o cerámico. Se pueden utilizar transistores equivalentes modernos.





