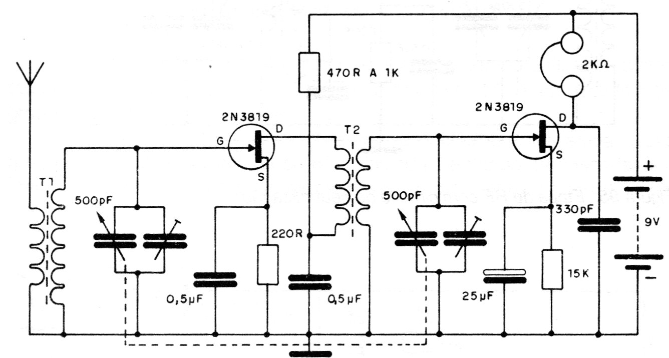
Este receptor que, dependiendo de la bobina, puede recibir ondas medias o cortas fue encontrado en una documentación sobre FET de los años 80. Los FET pueden ser los BF245 o MPF102 todavía actuales. El auricular debe ser de alta impedancia y el transformador T2 tiene características similares a T1 según el rango de ondas sintonizado.




