Este circuito fue encontrado en una publicación sobre espionaje de los años 90 y sirve para líneas analógicas. El circuito es simple, emitiendo una señal en el rango de FM, cuya frecuencia se ajusta apretando o distendiendo la bobina. El transistor puede ser el BF494 y el alcance es del orden de algunas decenas de metros.
Transmisor para escucha telefónica (CIR5934S)
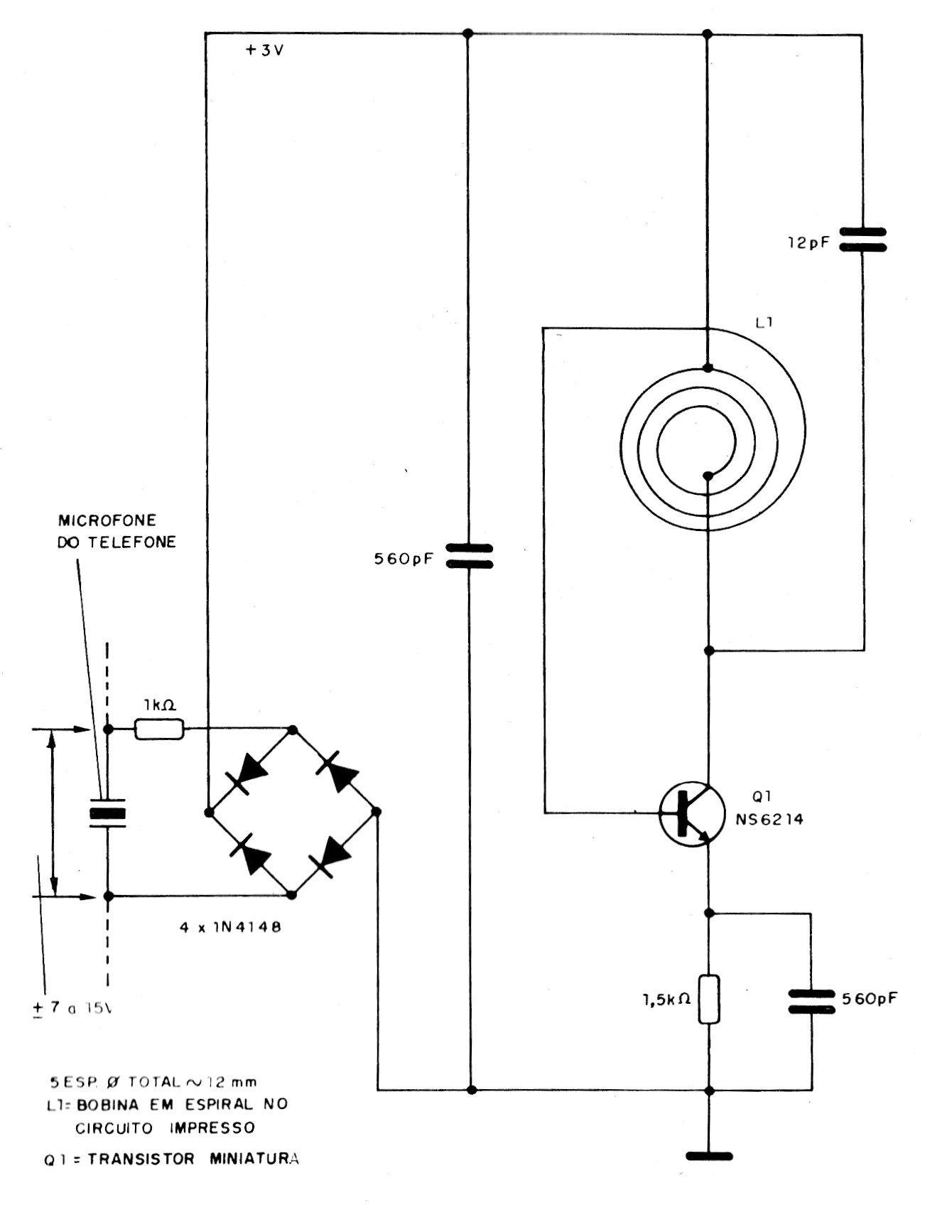
Este circuito fue encontrado en una publicación sobre espionaje de los años 90 y sirve para líneas analógicas. El circuito es simple, emitiendo una señal en el rango de FM, cuya frecuencia se ajusta apretando o distendiendo la bobina. El transistor puede ser el BF494 y el alcance es del orden de algunas decenas de metros.




