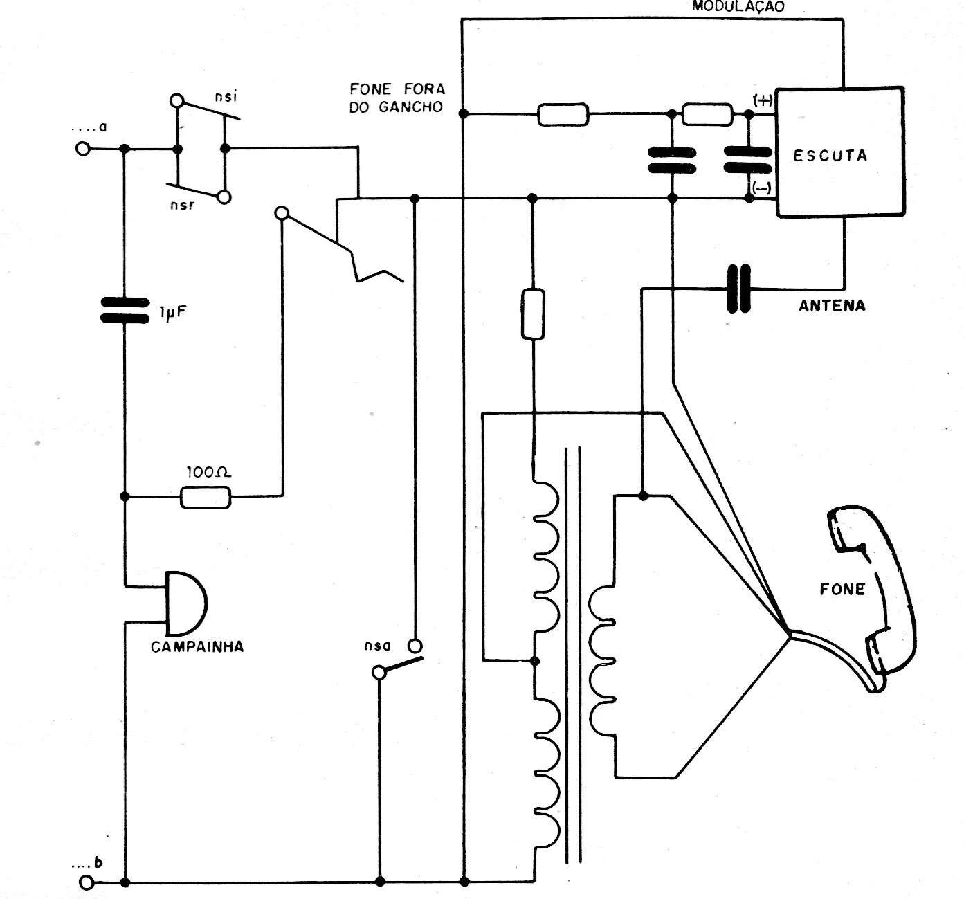
En la figura tenemos un circuito de escucha telefónica inalámbrica para el rango de frecuencias determinado por L1. Para FM puede ser 1 + 4 espiras de hilo 28 sin forma de 1 cm de diámetro y L2 3 espiras sobre L1. El circuito es de una documentación de los años 90, sirviendo para la parte analógica de la línea telefónica.




