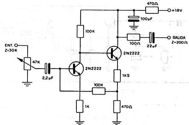
Este amplificador tiene una ganancia de 10 dB y presenta una impedancia de entrada de 30 k. La impedancia de salida es de 200 ohm. Se puede experimentar con transistores equivalentes.

Amplificador de 10 dB
Este amplificador tiene una ganancia de 10 dB y presenta una impedancia de entrada de 30 k. La impedancia de salida es de 200 ohm. Se puede experimentar con transistores equivalentes.
