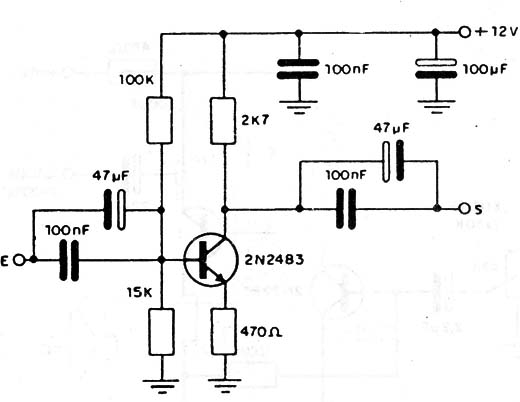
El Circuito presentado tiene una ganancia de tensión de 5,7 (15dB) y puede operar en una frecuencia de 4MHz. Se puede conectar en paralelo un capacitor de 120pF, con el resistor de 470 ohm, para mejorar Ia compensación de frecuencia.

Amplificador de Video



