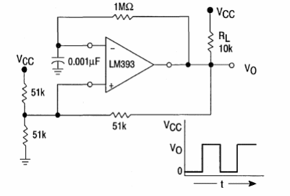
El circuito mostrado es del Handbook Linear Interfaz IC de Motorola de 1993. La fuente puede ser común y la frecuencia depende del capacitor. Se pueden utilizar otros operacionales.

El circuito mostrado es del Handbook Linear Interfaz IC de Motorola de 1993. La fuente puede ser común y la frecuencia depende del capacitor. Se pueden utilizar otros operacionales.
