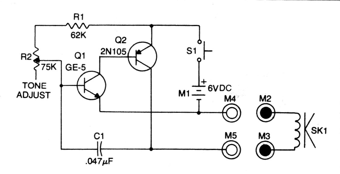
Encontramos este circuito en una publicación de 1981, pero se puede implementar con transistores más modernos como los BC548 y BC558. El auricular debe ser magnético de baja impedancia, pero también se puede utilizar un pequeño altavoz. El potenciómetro puede ser de 47k o 100k y la alimentación hecha con tensiones entre 3 y 6 V.




