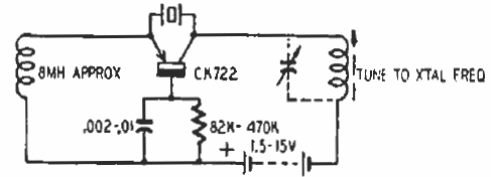
Este antiguo oscilador puede alcanzar una frecuencia de algunos cientos de kilociclos según el cristal usado. El circuito es de un manual de aplicaciones de Raytheon de la década de 50.

Este antiguo oscilador puede alcanzar una frecuencia de algunos cientos de kilociclos según el cristal usado. El circuito es de un manual de aplicaciones de Raytheon de la década de 50.
