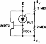
El transistor programable unijuntura de este circuito oscilador es el 2N6027 y se puede utilizar como componente básico de un oscilador unijuntura en esta configuración de carga constante.

El transistor programable unijuntura de este circuito oscilador es el 2N6027 y se puede utilizar como componente básico de un oscilador unijuntura en esta configuración de carga constante.
