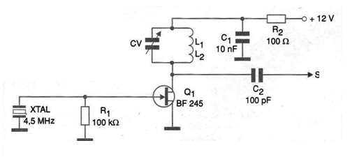
El oscilador de la figura tiene su frecuencia determinada por el cristal. El valor indicado es 4,5 MHz, pero los cristales en el rango de 100 kHz a 10 MHz pueden ser utilizados. La frecuencia de la señal de salida, que puede ser una armónica de la frecuencia del cristal, será sintonizada en L1 / CV. La bobina L1, enrollada sobre L1 para acoplamiento de la señal debe ser calculada para obtener la impedancia deseada. Los transistores equivalentes como el MPF102 se pueden utilizar y el capacitor de 10 nF debe ser cerámico. Los cambios en la tensión de alimentación se pueden realizar con un cambio de valor del resistor de 100 ohms.




