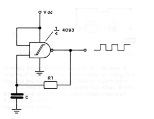
En el circuito de la figura tenemos una aplicación diferente del 4093. El multivibrador asolado en cuestión tiene una frecuencia que es dada por la constante de tiempo RC. El límite superior de frecuencia sólo se da por las características del CMOS integrado. en torno a 5 MHz. La frecuencia mínima se da sólo por la existencia de eventuales fugas en el condensador usado que, ciertamente, debe ser electrolítico. La señal de salida de este circuito es rectangular.




