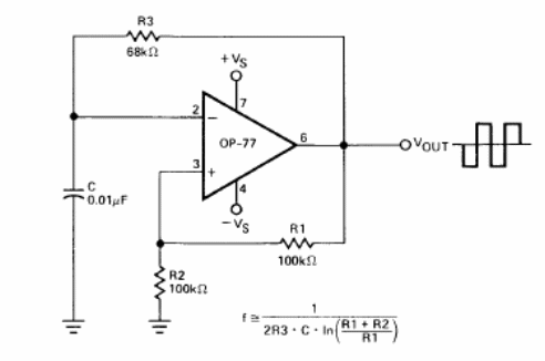
El oscilador mostrado en la figura genera una señal rectangular con ciclo activo de 50% (cuadrado) cuya frecuencia depende de los componentes usados, según la fórmula dada junto al diagrama. Hemos obtenido este circuito en el manual de circuitos integrados lineales de Analog Devices. Con los valores indicados para los componentes, la frecuencia es de 1 kHz y la amplitud de la señal es de 2 V.

Oscilador rectangular (CIR3163S)
El oscilador mostrado en la figura genera una señal rectangular con ciclo activo de 50% (cuadrado) cuya frecuencia depende de los componentes usados, según la fórmula dada junto al diagrama. Hemos obtenido este circuito en el manual de circuitos integrados lineales de Analog Devices. Con los valores indicados para los componentes, la frecuencia es de 1 kHz y la amplitud de la señal es de 2 V.




