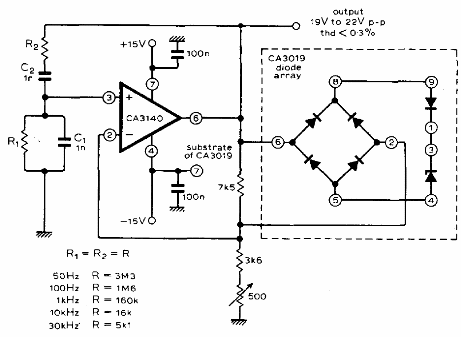
Este circuito fue encontrado en una documentación de la RCA de 1977. La fuente debe ser simétrica pero la tensión puede quedar entre 6 y 15 V. Los diodos pueden ser comunes si el circuito integrado CA3019 no se encuentra. Junto al diagrama los valores de R para diversas frecuencias.




