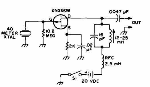
Este circuito está indicado para la generación de señales en el rango de 40 metros. El circuito se obtuvo en una documentación para radioaficionados de 1977. El FET puede ser el BF245 o MPF102. El circuito puede ser utilizado como base para un transmisor para el rango de 3,5 MHz o 80 metros de radioaficionados.




