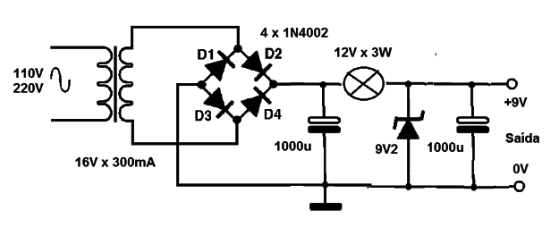
Lo diferente de esta fuente es el uso de una lámpara de 12 V como un elemento regulador junto con un Diodo Zener de 1 W como regulador de tensión. El transformador debe tener 12 V secundario hasta 300 mA. El circuito es de una publicación española de 1966. Los diodos pueden ser los 1N4002 y el Diodo Zener es de 9V1 o 9V2.

Fuente 9 V x 200 mA



