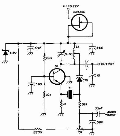
Este circuito fue obtenido en una documentación para radioaficionados de 1975. Con él podemos usar un cristal para generar el doble de su frecuencia, en frecuencias hasta unos 70 MHz. El transistor bipolar puede ser el 2N2222 y el FET un BF245 o MPF102. El circuito puede servir de base para proyectos de transmisores.




