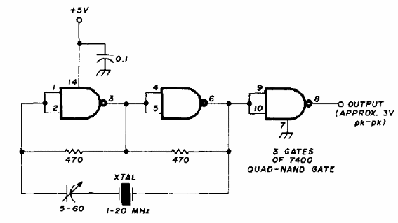
Esta configuración tradicional de oscilador con puertos NAND TTL puede generar señales de hasta 20 MHz, dependiendo del cristal usado. El circuito debe ser alimentado por una tensión de 5 V. El circuito puede ser disparado por microcontroladores que sirven como escudo. La señal de salida es rectangular TTL.




