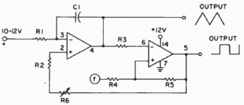
Encontramos este circuito en una publicación de 1979. La frecuencia para los componentes indicados es de 100 Hz a 1 kHz ajustada en R6. El circuito integrado es el LM3900 y R1, R4 son de 1 M. R2, R3 de 100k, R5 de 120k y R6 de 470k. El capacitor es de 10 nF.




