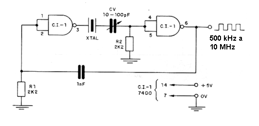
Este circuito puede generar señales de 500 kHz a 10 MHz, dependiendo del cristal usado, siendo ideal para operación como reloj en circuitos TTL e incluso reloj externo en microcontroladores. El trimmer sirve de ajuste para facilitar el inicio de las oscilaciones cuando se conecta el circuito. La alimentación debe realizarse con una tensión de 5 V aplicada entre los pines 7 y 14. Los otros dos puertos del 7400 se pueden utilizar en otras funciones.




