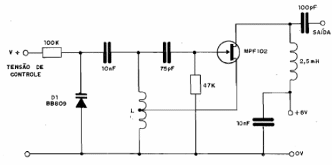
La frecuencia de este oscilador es controlada por la tensión aplicada al varicap. Para una bobina con 40 + 40 espiras de alambre AWG 28 en un bastón de ferrita, la frecuencia central estará alrededor de 1 MHz. Se pueden realizar cambios en la bobina y el transistor se puede sustituir por el equivalente BF245. La tensión de control normalmente debe estar entre 0 y 20 V. Para la salida de un microcontrolador en el que tenemos tensiones menores, se puede utilizar un circuito elevador controlado (PWM) o bien tener una pista más baja de control. La alimentación se realiza con una tensión de 5 o 6 V y el consumo es muy bajo. Todos los capacitores deben ser cerámicos.




