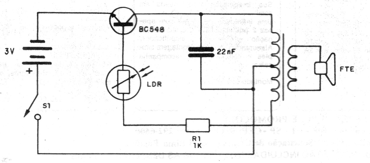
Este circuito muy simple fue encontrado en una documentación de 1987. El transformador es del tipo de salida encontrado en receptores transistorizados de la época y el sensor es un LDR. En este circuito la intensidad de la luz en el sensor controla la frecuencia de la señal producida.




