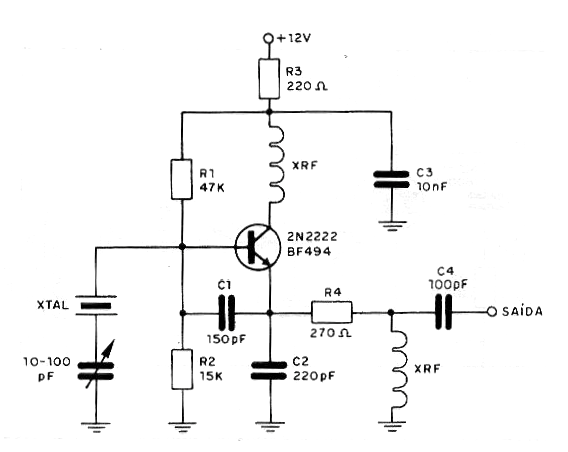
Este oscilador utiliza cristales de 4 a 20 MHz y los choques de RF pueden ser de 1 mH o más, dependiendo de la frecuencia. Los transistores equivalentes se pueden utilizar y la alimentación es de 12 V con una baja corriente de consumo. Los capacitores deben ser todos cerámicos de buena calidad. El trimmer sirve para ajustar el punto de partida del oscilador.




