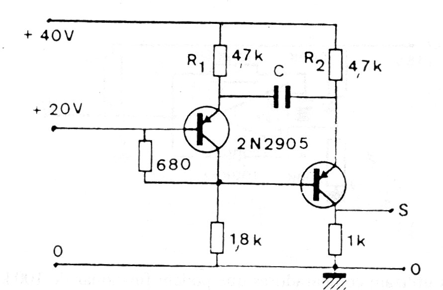
Esta configuración distinta de asimétrica utiliza transistores acoplados por el emisor. La tensión es elevada y los transistores aceptan equivalentes. La frecuencia depende del capacitor C siendo aproximadamente T = 0,69 RC el período.
Si usted tiene un radito de dos pilas pequeñas es una manera de alimentarlo con energía solar de...
Con este circuito podremos obtener bajas tensiones continuas para experimentos simples sin la...
La finalidad de este circuito es generar una señal que puede ser captada entre los canales 2 y 5...