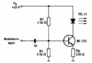
Encontramos este circuito en un manual de optoelectrónica de Texas Instruments. El modulador de audio sirve para enlaces de sonido y el transistor puede ser el BC548. El alcance depende de la sensibilidad del receptor y de los recursos ópticos utilizados.




