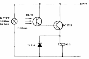
La distancia recomendada entre el emisor y el foto-transistor es de 10 mm para esta configuración. El circuito es sugerido por el manual de optoelectrónica de Texas Instruments. El relé debe ser de acuerdo con la alimentación del circuito.

La distancia recomendada entre el emisor y el foto-transistor es de 10 mm para esta configuración. El circuito es sugerido por el manual de optoelectrónica de Texas Instruments. El relé debe ser de acuerdo con la alimentación del circuito.
