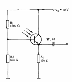
En la figura se muestra como polarizar un foto-transistor para obtener sensibilidad. El circuito es de un manual de opto electrónico de Texas Instruments.

En la figura se muestra como polarizar un foto-transistor para obtener sensibilidad. El circuito es de un manual de opto electrónico de Texas Instruments.
