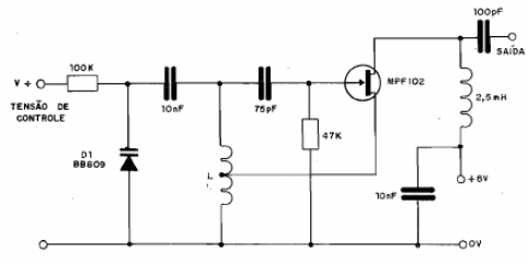
Este oscilador es controlado por el voltaje aplicado a lo varicap. Para una bobina con 40 + 40 vueltas de alambre 28 AWG en una barra de ferrita, la frecuencia central será alrededor de 1 MHz. cambios en la bobina se pueden hacer y el transistor puede ser sustituido por el BF245 o equivalente. La tensión de control típico debe ser entre 0 y 20 V y a partir de la salida de un microcontrolador que tiene voltajes más pequeños, puede ser utilizado un circuito elevador controlado (PWM) o vamos a tener un rango menor de control. La alimentación se hace con una tensión de 5 o 6 V y el consumo es muy bajo. Todos los capacitores deben ser de cerámica.




