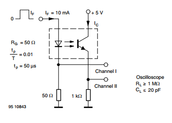
En la figura tenemos un circuito típico de prueba con acoplador óptico de la serie TCLT100 de Vishay en configuración saturada. Este acoplador tiene un foto-transistor como sensor y una tensión de aislamiento de 1050 V. Entre las aplicaciones sugeridas por el datasheet tenemos fuentes conmutadas, interfaz, shields, etc. Se puede acceder al datasheet en: https://www.mouser.com/ds/2/427/tclt1000-57846.pdf.




