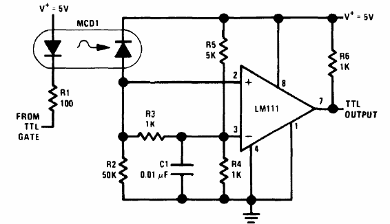
El circuito de shield presentado es del Linear Applications Handbook de National Semiconductor de 1994. El circuito puede ser implementado con otros operacionales y el acoplador óptico no es crítico. La fuente es de 5 V.

El circuito de shield presentado es del Linear Applications Handbook de National Semiconductor de 1994. El circuito puede ser implementado con otros operacionales y el acoplador óptico no es crítico. La fuente es de 5 V.
