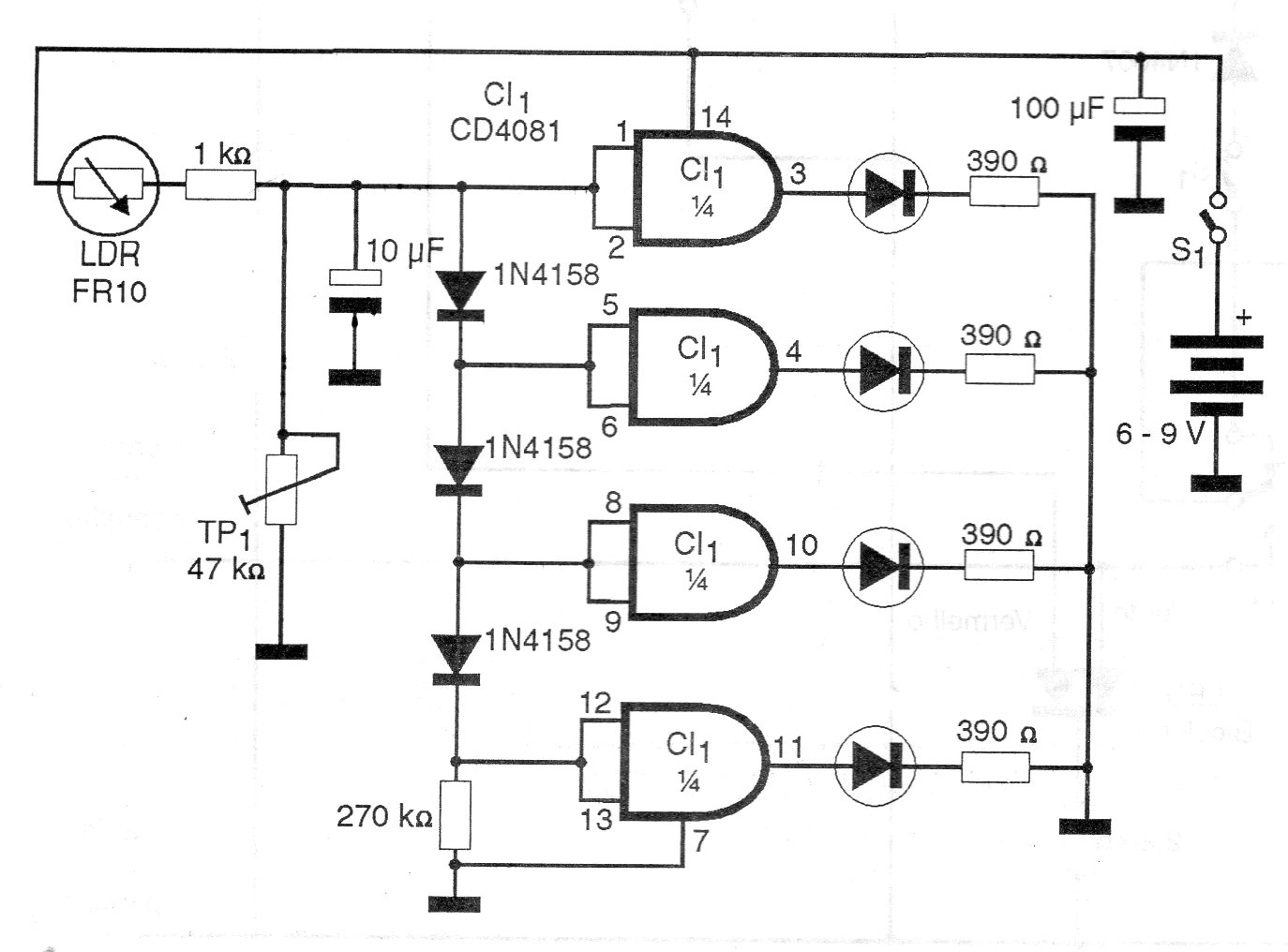
Este fotómetro con indicación bargraph por LEDs se obtuvo en una publicación de 1997. El sensor es un LDR común y la sensibilidad que determina la escala se ajusta en el trimpot. El circuito puede ser alimentado por 4 pilas o una batería de 9 V.
Este transmisor opera entre 100 kHz y 4 MHz, utilizando sólo un componente: un circuito integrado CMOS....
Con este circuito podemos controlar el brillo de pequeñas lámparas de 12 V, la velocidad de...
El circuito presentado en la figura 1 es una puerta lógica NOR (no-OU) en el que un LED se...