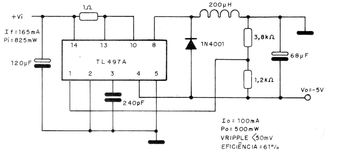
Encontramos este circuito en una documentación de Texas Instruments. El circuito se puede utilizar para generar otras tensiones con cambio de la red divisora de referencia. El circuito se basa en el TL497A que no es muy común actualmente.
Este transmisor opera entre 100 kHz y 4 MHz, utilizando sólo un componente: un circuito integrado CMOS....
Con este circuito podemos controlar el brillo de pequeñas lámparas de 12 V, la velocidad de...
El circuito presentado en la figura 1 es una puerta lógica NOR (no-OU) en el que un LED se...