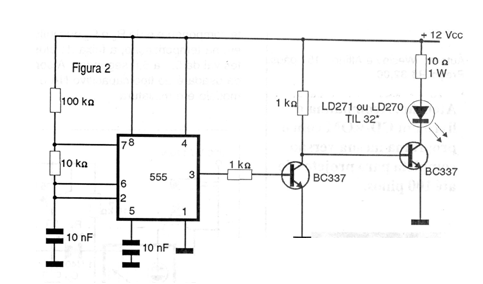
Este circuito, encontrado en una documentación de 1997, fue originalmente diseñado para funcionar con el detector del CIR2421S. El circuito emite radiación modulada a una frecuencia determinada por el 555. El resistor en serie con el LED puede cambiarse según las características del tipo utilizado. La alimentación se puede hacer con tensiones de 9 a 12 V según la aplicación.




