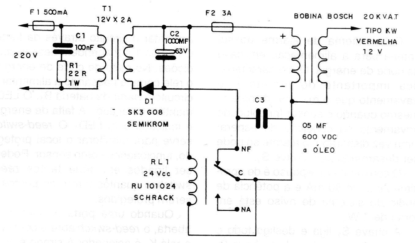
Este circuito, encontrado en una documentación de 1995, aprovecha las oscilaciones de un relé para generar la corriente intermitente que induce la alta tensión en una bobina de encendido de carro. Si bien la durabilidad de los contactos del relé quedan reducidas en esta aplicación, el circuito funciona y puede generar algunas decenas de miles de volts.




