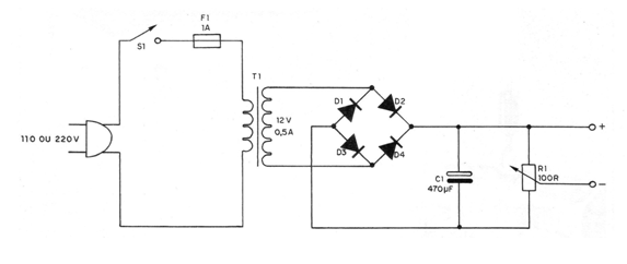
La fuente de la figura fue encontrada en una revista de 1981 siendo recomendada para la bancada del experimentador. La fuente es convencional con rectificación de onda completa hecha por 4 diodos que pueden ser del tipo 1N4002 o equivalente, y la filtración por un capacitor electrolítico de 16 V cuyo valor debe ser el mayor posible. El lector sugiere como valor mínimo 470 uF, pero si en la alimentación de radios o pequeños amplificadores hay manifestación de ronco este condensador debe ser aumentado. Un potenciómetro de hilo de 100 R x 5 W conectado a la salida permite variar la tensión de salida entre 0 y el máximo que depende de la carga. El transformador tiene un devanado primario de acuerdo con la red local y secundaria de 12V x 500 mA.




