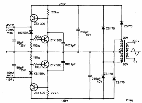
El circuito seleccionado fue encontrado en el manual de transistores de Ferranti de 1974. La corriente de salida es de sólo 30 mA. Se pueden utilizar transistores BC548 y BC558 en lugar de los originales. El transformador tiene una corriente secundaria de 50 a 150 mA.




