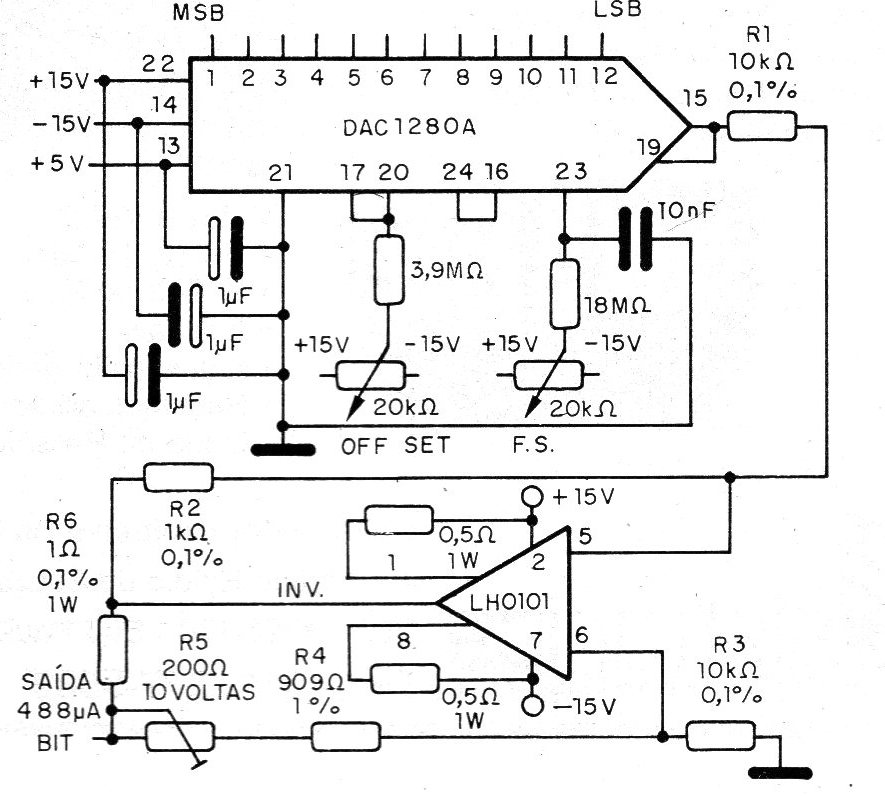
Este circuito es sugerido por National Semiconductor y se basa en un convertidor digital analógico DAC1280A, proporcionando una corriente de 488 uA para cada bit, lo que da una resolución bastante buena para una aplicación de laboratorio. Observe la necesidad de resistores de alta precisión de algunos puntos del circuito (0,1% de tolerancia). El LH0101 es un amplificador operacional de potencia, que puede suministrar corrientes de hasta 1 A en la salida, lo que sobre una carga de 5 ohms corresponde a una potencia de 10 W. Observe los puntos de aplicación del bit más significativo (MSB) y menos significativo (LSB) de las entradas de programación del DAC.




