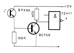
Este circuito se ha encontrado en una documentación antigua, pero puede utilizarse como shield de entrada para microcontroladores actuales. La alimentación para la lógica es de 5 V y para el sensor de 12 V, pero puede reducirse con modificaciones en los valores de los resistores. El transistor puede ser el 2N2222.




