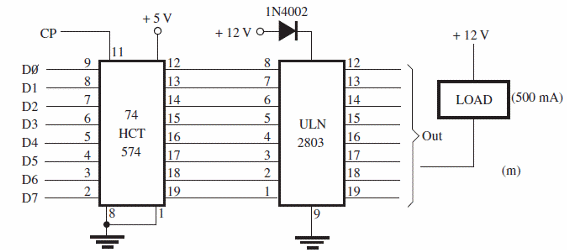
Con este circuito se pueden controlar varias cargas de hasta 500 mA pelas salidas de un Arduino, microcontrolador o puerta incluso paralelo de un PC. Se activan las cargas con las salidas en niveles bajos. Las fuentes deben estar separadas, pero tienen todas una tierra en común con el controlador. El circuito está en el libro Mechatronics Sourcebook de Newton c. Braga, publicado en los Estados Unidos.




