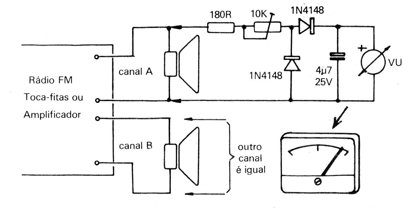
Este circuito fue indicado para aplicaciones automotrices, pero puede ser usado con amplificadores comunes con potencias, unos 100 W. El indicador (VU) es un microamperímetro de 0-200 uA del tipo encontrado en muchos equipos de sonido. El trimpot ajusta el fondo de escala.




