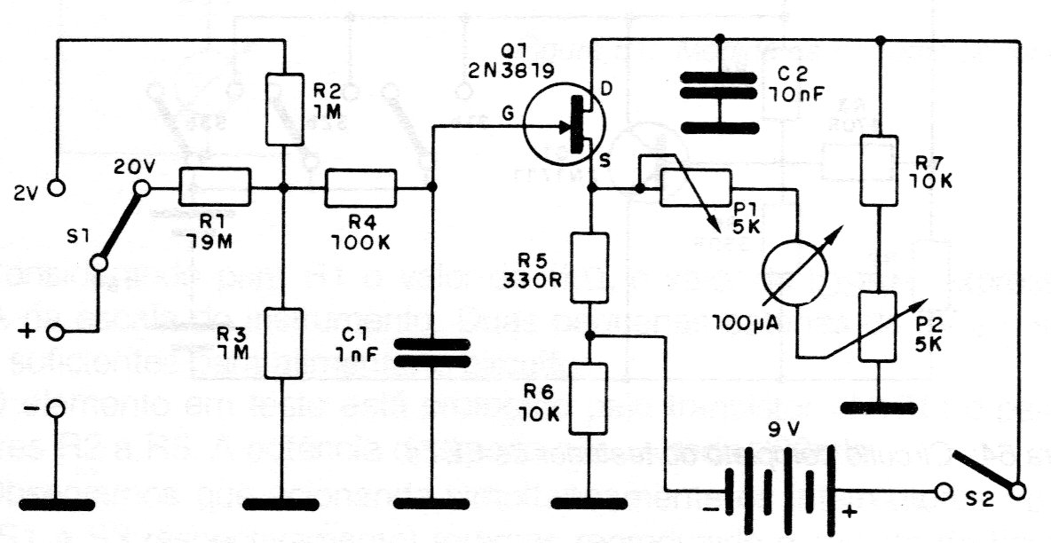
Este sensible circuito medidor de tensiones tiene una resistencia de entrada muy alta, del orden de Mohms, pudiendo ser usado con la escala más baja de corrientes de un multímetro analógico común, para aumentar su sensibilidad. El FET puede ser el BF245 o equivalente y la alimentación es hecha por una batería de 9 V.




