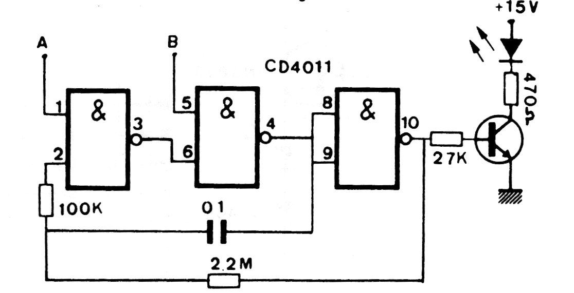
Este circuito hace que un LED parpadee en una frecuencia determinada por el condensador C1. El circuito puede ser alimentado por tensiones de 3 a 15 V y el resistor indicado depende de la corriente en el LED, pudiendo ser cambiado. No se han indicado las patillas de alimentación del 4011. El circuito es controlado por los pines A y B y para ser utilizado como Shield la alimentación debe ser de 5 V.




