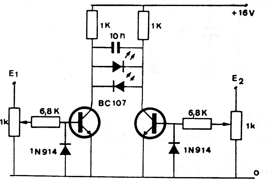
Este circuito ya apareció en diversas versiones en esta sección y en nuestro sitio. Los transistores pueden ser los BC548 y la alimentación puede ser retirada del equipo de sonido con el que funcione. Los ajustes de accionamiento se efectúan en los trimpots. En realidad la tensión de alimentación puede quedar entre 9 y 18 V.




