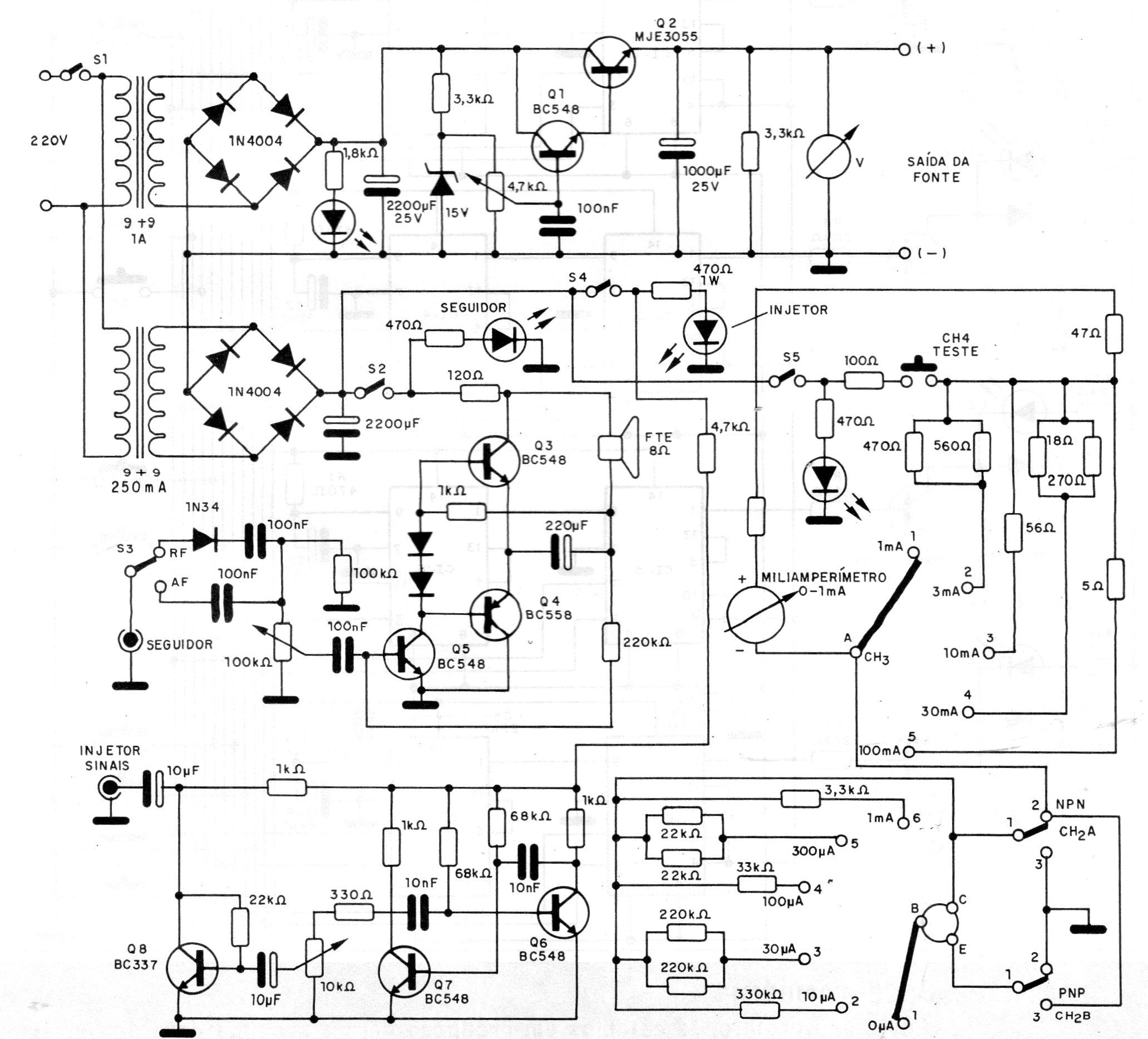
Encontramos este circuito en una documentación de 1995. Incluye varios recursos importantes para una bancada de pruebas, tales como fuente, seguidor de señales, inyector de señales y probador de transistores. El transistor de la fuente debe montarse en un disipador de calor. La fuente es ajustable de 0 a 12 V con salida máxima de 1 A.




