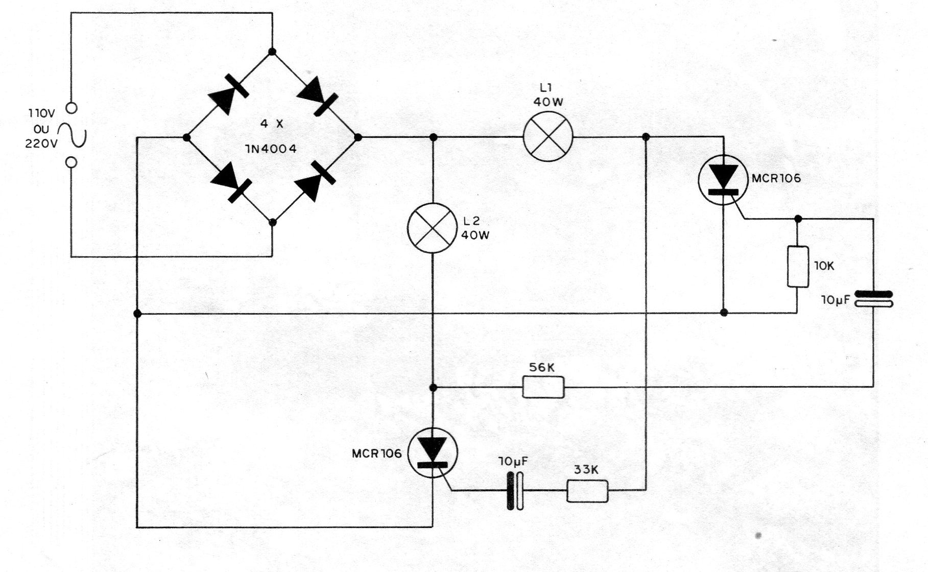
Tenemos aquí un circuito simple de señalización para dos lámparas incandescentes comunes, que sirve para puertas de garajes, salidas de vehículos, utilizando dos SCRs. El circuito completo se muestra en la figura. Un puente de diodos permite obtener la tensión continua para alimentar el circuito. Los diodos usados ??deben soportar una tensión inversa de al menos 200 V, si la red es de 110 V y al menos 400 V, si la red es de 220 V. Diodos como los 1N4004, BY127, BY126, sirven para la red de 110 V y diodos como los 1N4007, BY127, son recomendados para la red de 220 V. Los SCR usados ??son del tipo MCR106 y deben ser montados en disipadores de calor, si las lámparas usadas tienen potencias de más de 40 W. Para potencias hasta 40 W, los SCR no necesitan tener disipadores de calor. Los electrolíticos usados ??pueden ser de 8 uF o 10 uF, con una tensión de trabajo de 350 V, y los resistores son todos de 1/2 o 1W, con un 10% de tolerancia o más. En el montaje es importante verificar la posición de los SCRs y también la polaridad de los condensadores electrolíticos. El montaje puede ser hecho tanto en puente de terminales, como en placa de circuito impreso.




