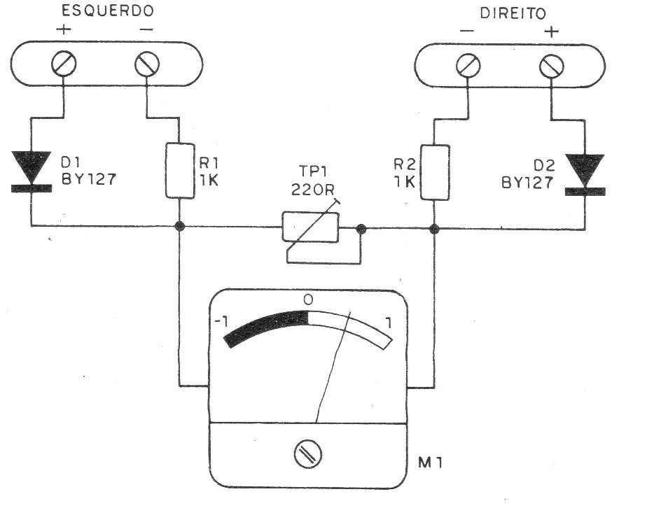
Con este circuito se puede tener una indicación segura del punto de equilibrio para las señales de los dos canales de un sistema de sonido estereofónico. Se utiliza como base de este proyecto un miliamperímetro con cero en el centro de la escala (1-0-1 mA), el cual debe en el equilibrio indicar una corriente nula (0). Los resistores R1 y R2 tienen su valor determinado por la potencia del aparato de sonido con el que el medidor debe ser usado. Para aparatos de hasta 5 W estos resistores pueden ser de 470 R; para aparatos de hasta 20 W estos deben tener 1k y para más de 20 W, se añade 500 ohms por cada 10 W. Los diodos D1 y D2 pueden ser de silicio para uso general como el 1N4004, 1N4007, BY127, etc. En el caso de que este circuito no utilice fuente de alimentación, la energía para su funcionamiento viene del aparato de sonido con el que funciona. El trimpot TP1 sirve para ajustar la sensibilidad del aparato en función de la potencia de su amplificador.




