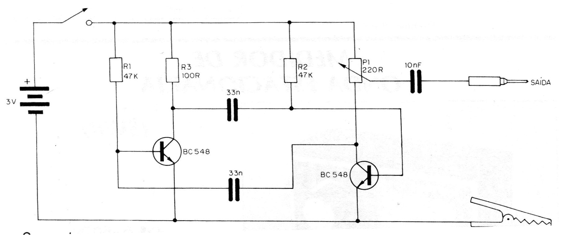
Este inyector de señales es de gran utilidad en la localización de fallos de receptores de radio y amplificadores. Lo que tenemos es básicamente un multivibrador asequible cuya frecuencia es determinada por los capacitores de 33 nF y por los resistores R1 y R2 de 47k. La forma de onda rectangular obtenida de este circuito es rica en armónicos, lo que significa que no sólo tenemos la señal básica de audio, como señales que pueden ser sintonizadas hasta en las bandas más altas de receptores de ondas cortas e incluso FM. La alimentación del circuito se realiza con sólo dos pilas comunes de 1,5 V, lo que permite la realización de un montaje compacto y la intensidad de la señal regulada por medio del potenciómetro P1.




