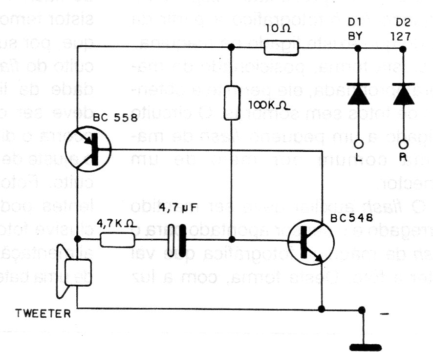
Este simple circuito práctico se puede adaptar en una moto para indicar el accionamiento de la flecha. El altavoz es del tipo miniatura con 2,5 cm y el circuito se puede instalar en una pequeña caja de plástico alimentada por la propia energía de las lámparas de flecha donde se enciende.




