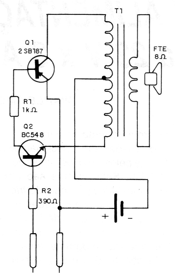
Esta simple prueba de continuidad consiste en un oscilador Hartley en configuración bastante explotada en nuestros artículos. El circuito puede ser alimentado por una o dos pilas y en algunos casos para facilitar la oscilación puede ser necesario conectar en paralelo con el primario del transformador un condensador de 10 a 47 nF. El transformador es del tipo de salida encontrado en radios transistorizados.




