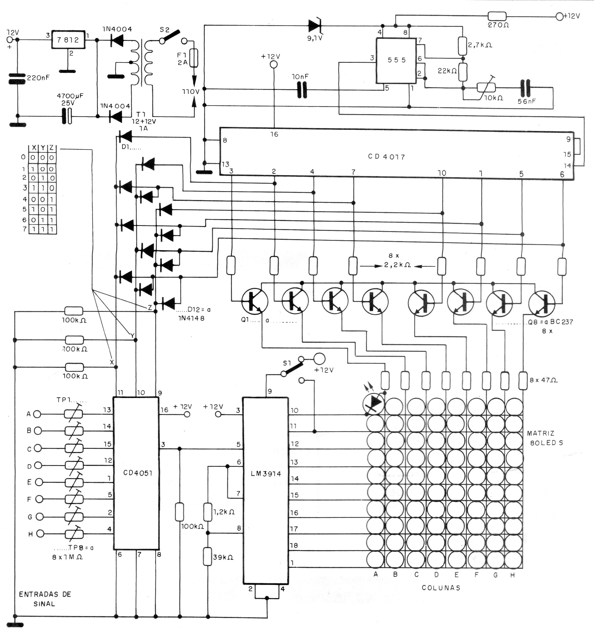
Este display matricial de nivel fue encontrado en una documentación de 1994, pero aún puede ser montado, pues los componentes utilizados todavía son comunes en nuestro mercado. El circuito incluye su propia fuente de alimentación y utiliza una matriz de 64 LED.




